齒輪油流量計
- 品*:JKM/凱銘儀表
- 型號:JKM-LWGY
- 測量范圍:0.04~800m3/h
- 精度等級:0.5級、1.0級
- 公稱通徑:DN4~DN200
- 適用介質:水 油 醇 純凈液體
- 工作壓力:1.6~6.3MPa
- 工作溫度:-20~+100℃
- 供電方式:24VDC 3.6V鋰電池
- 訂貨號:TLA327610YIQ
齒輪油流量計產品概述
LWGY系列渦輪流量計基于力矩平衡原理,屬于速度式流量儀表。傳感器具有結構簡單、輕巧、精度高、重復性好、反應靈敏,安裝維護使用方便等特點,廣泛用于石油、化工、冶金、供水、造紙等行業,是流量計量和節能的理想儀表。
渦輪流量計與顯示儀表配套使用,適用于測量封閉管道中與不銹鋼1Cr18Ni9Ti、2Cr13及剛玉Al2O3、硬質合金不起腐蝕作用,且無纖維、顆粒等雜質的液體。若與具有特殊功能的顯示儀表配套,還可以進行定量控制、超量報警等。選用本產品的防爆型式(ExmIIT6),可在有爆炸危險的環境中使用。
適用于在工作溫度下粘度小于5×10-6m2/s的介質,對于粘度大于5×10-6m2/s的液體,要對傳感器進行實液標定后使用。
如用戶需用特殊形式的傳感器,可協商訂貨,需防爆型傳感器時,在訂貨中加以說明。
齒輪油流量計工作原理
流體流經傳感器殼體,由于葉輪的葉片與流向有一定的角度,流體的沖力使葉片具有轉動力矩,克服摩擦力矩和流體阻力之后葉片旋轉,在力矩平衡后轉速穩定,在一定的條件下,轉速與流速成正比,由于葉片有導磁性,它處于信號檢測器(由永久磁鋼和線圈組成)的磁場中,旋轉的葉片切割磁力線,周期性的改變著線圈的磁通量,從而使線圈兩端感應出電脈沖信號,此信號經過放大器的放大整形,形成有一定幅度的連續的矩形脈沖波,可遠傳至顯示儀表,顯示出流體的瞬時流量或總量。在一定的流量范圍內,脈沖頻率f與流經傳感器的流體的瞬時流量Q成正比,流量方程為:

式中:
f--脈沖頻率[Hz]
k--傳感器的儀表系數[1/m3],由校驗單給出。
Q--流體的瞬時流量(工作狀態下)[m3/h]
3600--秒時換算系數
每臺渦輪流量計的儀表系數由制造廠填寫在檢定**中,k值設入配套的顯示儀表中,便可顯示出瞬時流量和累積總量。


齒輪油流量計產品特點
1、壓力損失小,葉輪具有防腐功能;
2、采用先進的超低功耗單片微機技術,整機功能強、功耗低、性能優越;
3、具有非線性精度補償功能的智能流量顯示器。修正公式精度優于±0.02%;
4、儀表系數可由按鍵在線設置,并可顯示在LCD屏上,LCD屏直觀清晰,可靠性強;
5、渦輪流量計采用EEPROM對累積流量、儀表系數掉電保護,保護時間大于10年;
6、采用高性能MCU中央處理器,完成數據采集處理顯示輸出、累積流量瞬時流量同屏顯示方便的人機界面實現, 以標準485形式進行數據傳輸;
7、采用全硬質合金(碳化鎢)屏蔽式懸臂梁結構軸承,集轉動軸承與壓力軸承于一體,大大提高了軸承壽命,并可在有少量泥沙與污物的介質中工作;
8、采用1Cr18Ni9Ti全不銹鋼結構,(渦輪采用2Cr13)防腐性能好;
9、容易維修,有自整流的結構,小型輕巧,結構簡單,可在短時間內將其組合拆開,內部清洗簡單;
10、有較強抗磁干擾和振動能力、性能可靠、壽命長;
11、下限流速低,測量范圍寬;
12、現場顯示型液晶屏顯示清晰直觀,功耗低,3V鋰電池供電可連續運行5年以上;
13、耐腐蝕,適用于酸堿溶液;
齒輪油流量計基本參數
1、執行標準:渦輪流量傳感器(JB/T9246-1999)
2、儀表口徑(mm)及連接方式:4、6、10、15、20、25、32、40、50、65、80采用螺紋連接
3、精度等級:±1%R、±0.5%R、±0.2%R(需特制)
4、量程比:1:10;1:15;1:20
5、傳感器材質:304不銹鋼、316(L)不銹鋼等
6、使用條件:介質溫度:-20℃~+120℃,環境溫度:-20℃~+60℃
7、相對濕度:5%~90%
8、大氣壓力:86Kpa~106Kpa
9、信號輸出功能:脈沖信號、4~20mA信號
10、通訊輸出功能:RS485通訊、HART協議等
11、工作電源:外電源:+24VDC±15%,紋波≤±5%,適用于4-20mA輸出、脈沖輸出、RS485等,內電源:1組3.0V10AH鋰電池,電池電壓在2.0V~3.0V時均可正常工作。
12、信號線接口:基本型:豪斯曼接頭或自帶三芯線纜;防爆型:內螺紋M20*1.5
13、防爆等級:ExiaIICT4或ExdIIBT6
14、防護等級:IP65或更高(可訂制)
齒輪油流量計流量范圍表
齒輪油流量計選型說明
齒輪油流量計外形尺寸
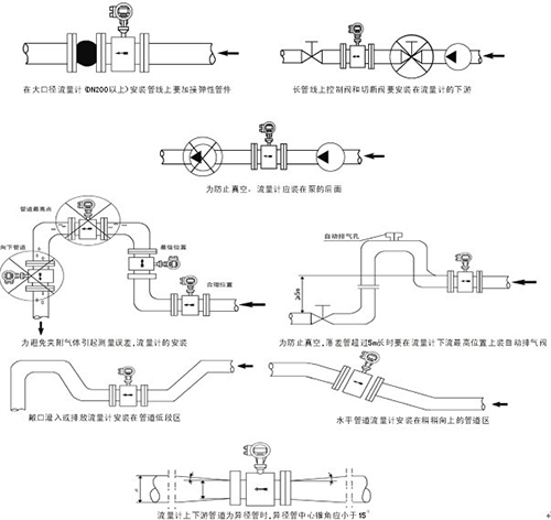
齒輪油流量計安裝注意事項
渦輪流量計是一種*典型的速度式流量計,它是利用懸置于流體中帶葉片的轉子或葉輪感受流體的平均流速而推導出被測流體的瞬時流量和累計流量,從而實現流量測量的目的。渦輪流量計通產由渦輪流量傳感器和顯示儀表組成,其安裝方式需要注意以下幾點。
1、安裝時液體流動方向應與傳感器外殼上指示流向的箭頭方向一致,且上游直管段應≥20dn,下游直管段應≥5dn,其中dn為管道內徑。
2、傳感器應遠離外界磁場,如不能避免,應采取必要的措施;
3、為了檢修時不至影響液體的正常輸送,應在傳感器兩端的直管段外安裝旁通管道;
4、傳感器露天安裝時,請做好放大器插頭的防水處理;
5、傳感器與顯示儀表的接線,應根據放大器的電源來選擇接線方式。
6、液體流量計傳感器可水平、垂直安裝,垂時流體方向必須向上。液體應充滿管道,不得有氣泡。安裝時,液體流動方向應與傳感器外殼上指示流向的箭頭方向一致。傳感器上游端至少應有20倍公稱通徑長度的直管段,下游端應不少于5倍公稱通徑的直管段,其內壁應光滑清潔,無凹痕、積垢和起皮等缺陷。
7、若流體不穩定有脈動流,為保證轉子流量計的良好測量可安裝緩沖器,以消除脈動流。轉子流量計在使用時,應先緩慢旋開流量計上游管道上的控制閥門,然后用調節閥調節流量,以免突然開啟造成浮子急速上升擊損錐管。
渦輪流量計的測量精度高,量程比款,適用于流量變化幅度較大的現場測量。并且壓力損失小,且耐高壓,儀表的各元件可用各種抗腐蝕材料制成,是一款使用較寬泛的流量儀表。
上一篇:生物油流量計|防爆液體渦輪式
下一篇:成品油流量計|不銹鋼液體渦輪式